> Á¦Ç°¼Ò°³ > PLASTIC RS CHAIN & RS DOUBLE CHAIN
 
Untitled Document
À̹ÌÁö¸¦ Ŭ¸¯ ÇϽøé ÇØ´çÁ¦Ç°À» º¸½Ç ¼ö ÀÖ½À´Ï´Ù.
RS 40P / 60P CHAIN
RS 40PW / 60PW CHAIN
RS 40P(HP TYPE) /
60P(HP TYPE) CHAIN
RS 40P(CRT TYPE) /
60P(CRT TYPE) CHAIN
RS 40P(AST TYPE) /
60P(AST TYPE) CHAIN
RS 2040P CHAIN
RS 40P(PLATE TYPE) CHAIN
PLASTIC COMBI CHAIN
 
         
HP TYPEÀÇ ÀåÁ¡   PROS OF HP TYPE    
°í¼º´ÉÀdz»ºÎÀ±È°, ÀϹݾƼ¼Å»ÀçÁú¿¡ºñÇØ¸¶¸ð¼ºÀ»40%°¨¼Ò
LFÀç·áº¸´Ù ¸Å¿ì ³·Àº ¸¶¸ðÀ²,
°ÇÁ¶ÇÑ »óÅ ¿îÀü ½Ã ¸¶¸ð°¨¼Ò, ¡¤ °í¼Ó ¿îÀü »ç¿ë ½Ã
ÀûÇÕ
  High-performance internal lubrication, reduces wear property by
40% over regular acetal materials.
Significantly low wear over LF materials
Reduced wear under dry operation conditions,
suited for high-speed operation
   
   
Untitled Document
Click
 
151
       
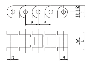
CHAIN TYPE

CODE.NO

MATERIAL P R W L H1 H2 H D WEIGHT
PLATE PIN MM MM MM MM MM MM MM MM kg/M
RS40P-HP 1131-HP ACETAL STAINLESS
STEEL
12.7 7.94 7.95 20 6 6.7 12.7 4 0.36
RS60P-HP 1132-HP 19.05 11.91 12.7 30 8.5 8.8 17.3 6 0.72
¡Ø Standard length : RS40P-1.016m(80links) / RS60P-1.010m(53links)


         
     
       
CHAIN TYPE

CODE.NO

MATERIAL P R W L H1 H2 H D WEIGHT
PLATE PIN MM MM MM MM MM MM MM MM kg/M
RS40PW-HP 1135-HP ACETAL STAINLESS
STEEL
12.7 7.94 20 40 6 6.7 12.7 4 0.72
RS60PW-HP 1136-HP 19.05 11.91 30 60 8.5 8.8 17.3 6 1.44
¡Ø Standard length : RS40W-1.016m(80links) / RS60PW-1.010m(53links)