> Á¦Ç°¼Ò°³ > STEEL CHAIN WITH PLASTIC TOP PLATE
 
Untitled Document
À̹ÌÁö¸¦ Ŭ¸¯ ÇϽøé ÇØ´çÁ¦Ç°À» º¸½Ç ¼ö ÀÖ½À´Ï´Ù.
STAINLESS STEEL
CHAIN #60
#60 WITH PLASTIC TOP PLATE OVERLAP TYPE
STEEL CHAIN #60
STEEL CHAIN #60
(J.S TYPE)
STEEL CHAIN #60
STEEL CHAIN #40
 
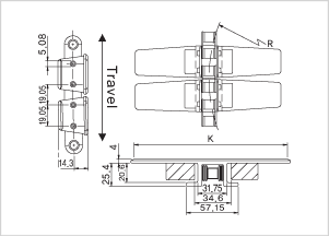
  It is used after attaching plastic plate at the top of steel and stainless roller chain. Chain is divided into curve and straight, and chain using #60 roller is divided into curve and straight while #40 roller chain only has straight. SP304.8CT and SP254.0CT are good for cafeteria tray returning conveyor and SP 82.6S and SP190.5S are good for industrial machine (automobile, and assembly line, and SP34.9SS50.8S are good for transporting small containers (cosmetics and pharmaceutical).

½ºÆ¿°ú ½ºÅÙ·¹½º Roller üÀο¡ ÇÃ¶ó½ºÆ½ Ç÷¹ÀÌÆ®¸¦ »óºÎ¿¡ ºÎÂøÇÏ¿© »ç¿ëÇϴ üÀÎÀÌ´Ù.
üÀÎ ºÐ·ù´Â Ä¿ºê¿Í Á÷¼± ÁøÇàÇüÀÌ ÀÖÀ¸¸ç 60# Roller üÀÎÀ» »ç¿ëÇÏ´Â ±Ô°ÝǰÀº Ä¿ºê¿Í Á÷¼±À¸·Î ±¸ºÐµÇ¸ç, 40# Roller üÀÎÀ» »ç¿ëÇÏ´Â ±Ô°Ý ǰÀº Á÷¼± ¿îµ¿ÇüÀ¸·Î¸¸ µÇ¾î ÀÖ´Ù. ¿ëµµ´Â SP304.8CT¿Í SP254.0CT ´Â ½Ä´ç Åð½ÄÄܺ£¾Æ »ç¿ë¿¡ ÀûÇÕÇϸç SP82.6S³ª SP190.5S´Â »ê¾÷±â°è(ÀÚµ¿Â÷, °øÁ¶±â±â)¿¡ ÁÖ·Î »ç¿ëµÇ¸ç SP34.9S~SP50.8S´Â ÀÛÀº ¿ë±â À̼ۿ¡ ÀûÇÕÇÏ´Ù. (È­Àåǰ, Á¦¾à)
 
         
   
Untitled Document
Click
 
156,157, 159

 
151
       
CHAIN TYPE CODE.NO MATERIAL PLATE
WIDTH(K)
WORKING
LOAD(MAX)
SIDEFLEX
RADIUS(MIN)
BACKFLEX
RADIUS(MIN)
WEIGHT
PLATE BASE CHAIN MM INCH N R R kg/M
SP826CT
SP1143CT
SP1524CT
SP1905CT
SP2540CT
SP3048CT

1226
1227
1228
1229
1230
1231

ACETAL STAINLESS
STEEL
82.6
114.3
152.4
190.5
254.0
304.8
3.25
4.50
6.00
7.50
10.00
12.00
2400
2400
2400
2400
2400
2400
610
610
610
610
610
610
160
160
160
160
160
160
2.1
2.3
2.4
2.6
2.8
3.0
¡Ø Standard length : 3.048m-10feet(80links) R610 ¡Ø TOP PLATE CHAIN ÁÖ¿ëµµ´Â ÁÖ¹æ Åð½Ä Äܺ£¾Æ¿ëÀÓ