FOR STAINLESS STEEL SINGLE AND MAGNETFLEX CHAINS

SEE PAGE 8, 9
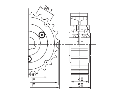
■ MODU-SPROCKET
Material : polyamide
zinc plated steel screw
or stainless steel screw
KEY : 8 × 7
TEETH BORE CODE.NO PITCH
DIAMETER(E)
OUTSIDE
DIAMETER(F)
WEIGHT
MM MM MM kg/EA
19

25
30
35

1521
1522
1523
117.0
117 0.40
21 25
30
35
1524
1525
1526
128.0 129 0.56
23 25
30
35
1527
1528
1529
140.8 141 0.65

SEE PAGE 8, 9, 13, 18, 39
■ COMBI-IDLER
Material : Polyamide
FOR TEETH BORE
(B)
CODE.NO OUTSIDE
DIAMETER(D)
WEIGHT
MM MM kg/EA
19

25
30
35

1701
1702
1703
117.0
0.36
21 25
30
35
1704
1705
1706
129 0.39
23 25
30
35
1707
1708
1709
141 0.46
25 25
30
35
1671
1672
1673
153 0.54
목록보기
Tel : 02-891-6162 , 02-891-1548
Email : wj@woojinauto.co.kr, woojin1014@nate.com
Addr : 경기도 시흥시 과림동 365,361-1,365-2번지
COPYRIGHT © woojinauto.co.kr