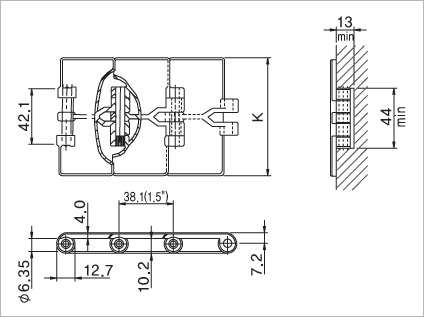
Plastic slate band straight chain is divided into single
and double
hinge depending on the shape of the hinge just like SUS chain.
Nowadays, it is used for many industrial machine other than
existing
conveyor’s repair and maintenance. Single hinge chain and
has
different widths and sizes and double chain is good for heavy
product
transport. Each chain is connected with stainless steel pin.
Plate is
nontoxic acetal and was approved by the U.S. FDA.
플라스틱 슬레이트 밴드 직선 체인은 SUS체인과 같이 힌지의 모양에 따라 싱글과
더블힌지로 나뉜다. 요즘은 기존 컨베이어의 개, 보수뿐만 아니라 여러 산업기계에
다양하게 적용한다. 싱글 힌지 체인은 여러 가 지 폭의 크기가 있고 더블 체인은
무거운 제품이송용으로 적합하다. 각 체인은 스텐레스 스틸 핀으로 연결된다.
플레이트는 무독성 아세탈이고 미국 FDA에서 인증 받았다.


| CHAIN TYPE |
CODE. NO |
MATERIAL | PLATE WIDTH (K) |
WORK- ING LOAD (MAX) |
BACK- FLEX RADIUS (MIN) |
WEIGHT | ||
|---|---|---|---|---|---|---|---|---|
| PLATE | PIN | MM | INCH | N | R | kg/M | ||
| P635S P826S P1016S P1143S P1524S P1905S |
1101 1102 1103 1104 1105 1106 |
ACETAL | STAIN- LESS STEEL |
63.5 82.6 101.6 114.3 152.4 190.5 |
2.50 3.25 4.00 4.50 6.00 7.50 |
1230 1230 1230 1230 1230 1230 |
50 50 50 50 50 50 |
0.69 0.82 0.95 1.00 1.20 1.44 |