

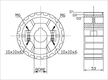
| TEETH | BORE (DF) |
CODE.NO | DIAMETER | WEIGHT | ||
|---|---|---|---|---|---|---|
| MM | D1 | D2 | D3 | kg/EA | ||
| 19 |
25 |
5092 5093 5094 |
117 | 105 | 93 | 0.32 |
| 21 |
25 |
1501 1502 1503 |
129 |
116.1 | 103 |
0.47 |
| 23 | 25 30 35 |
1504 1505 1506 |
142 | 128.1 | 114 | 0.55 |
| 25 | 25 30 35 |
1507 1508 1509 |
154 | 140.1 | 124 | 0.60 |