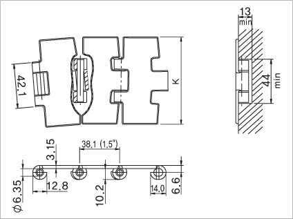
Stainless
steel slate band curve chain is divided into 3 depending on
the supporting wing shape. Magnetic flex chain has rotating
hinge,
but is moved by straight sprocket. Magnetic flex chain uses
a special
track that is magnetic. Therefore, it prevents the chain from
deviating
away from the track. Tap flex chain is known for easiness
to build its
track. Bevel flex chain has 10 degree incline that it doesn’t
not stray
off. Each chain is treated with hairline for smooth surface.
High
quality, reasonably priced parts are used to maximize the
efficiency of
the working condition.
스텐레스 스틸 스레이트 밴드 커브 체인은 트랙을 돌때 지지하는 날개의 모양에
따라 3개로 나뉜다. 마그네틱 플랙스 체인은 회전 힌지를 가졌지만 직선 스프로켓에 의해 움직인다. 마그네틱
플랙스 체인은 자성을 띤 특별한 트랙을 사용한다. 그래서 체인이 트랙으로부터 이탈하는 것을 방지한다.
탭 플랙스 체인은 트랙 만들기가 매우 간단한 것으로 잘 알려져 있다. 베벨 플랙스 체인은 10도의 경사
날개를 가져 이탈을 방지한다. 각 체인은 매끄러운 표면을 갖도록 헤어라인 처리를 한다. 고품질, 저가의
재료를 사용하여 헤어라인 처리 및 고효율의 최고의 작업조건을 마련하고 있다.


| CHAIN TYPE |
CODE .NO |
MATE- RIAL |
PLATE WIDTH (K) |
WORK- ING LOAD (MAX) |
SIDE- FLEX RADIUS (MIN) |
BACK- FLEX RADIUS (MIN) |
WEI- GHT |
||
|---|---|---|---|---|---|---|---|---|---|
| PLATE | PIN | MM | INCH | N | R | R | kg/M | ||
| SS826CM SS1143CM SS1905CM |
1251 1252 1253 |
STAINLESS STEEL |
82.6 114.3 190.5 |
3.25 4.50 7.50 |
4950 4950 4950 |
457 | 70 70 70 |
2.60 3.10 4.30 |
|