

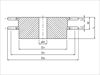
| Sprocket No |
Type | Num- ber of Teeth |
Pitch Dia- meter Dp |
Outer Dia- meter Do |
Tooth Thick- ness T |
Pilot Bore Dia- meter d |
Leng- th L |
M | Mate- rial |
Approxi- mate Weight kg/piece |
|---|---|---|---|---|---|---|---|---|---|---|
| RF2040VRP-10T | B | 10 | 82.20 | 85 | 4.0 | 16 | 40 | 20.4 | S45C | 0.8 |
| RF2050VRP-10T | B | 10 | 102.75 | 107 | 5.0 | 16 | 45 | 25.5 | S45C | 1.5 |
| RF2060VRP-10T | B | 10 | 123.30 | 128 | 6.0 | 19 | 50 | 30.5 | S45C | 2.5 |
| RF2080VRP-10T | B | 10 | 164.39 | 172 | 12.0 | 23 | 67 | 47.5 | S45C | 7.0 |