CHAIN TENSION GUIDE(C.T.G)
TENSION GUIDE는 종전의 각종 TENSION장치와 전혀 다른 간단한 구조로서 CHIAN궤도의 공중을 이용하여 부착할 수 있는 간단한 TENSIONING 장치입니다.
● 구조
CHAIN의 SIDE PLATE를 특수수지로 제작된 CARRIER로 잡아 주어서 CHAIN의 늘어지는 상태를 조정하며 STRAP 넓이를 조정함.

● 선정기준
CHAIN GUIDE의 성능을 충분히 발휘시키기 위하여 하기선정 기준을 참고 하십시오.

● 2축의 경우
Tension guide is different from other tension equipment but is very simple. It is a simple tensioning device that can be attached to the chain orbit through air.
● STRUCTURE
Chain slide plate is supported by carrier made with special resin to control the lagging of chain and to adjust the width of strap.

● SELECTION CRITERIA
Refer to the below criteria to maximize the chain guide functions.
축의 배열

CHAIN TENSION GUIDE

● 선정방법 ①SPROCKET=D1/D2 ≤ 4 ②교비=C/D2 ≤ 0.85 ③구성비=D1/L 0.5 0.5
● CHAIN 속도 ①무 급 유 = 150M/Min ②통 하 급 유 = 300M/Min ③급 유 = 450M/Min

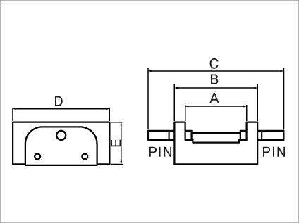
품목 CODE.NO A B C D E kg/SET
CTG-40 2210 23.8 39.6 71.4 76.2 25.4 0.22
CTG-50 2211 28.5 44.4 76.2 88.9 25.4 0.28
CTG-60 2212 34.9 50.8 82.6 101.6 25.4 0.45
CTG-80 2213 44.4 60.2 95.0 114.3 25.4 0.56
CTG-100 2214 52.3 68.2 106.3 127.0 31.8 0.84
CTG-120 2215 68.2 87.3 152.4 139.7 38.1 1.09

TENSION GUIDE 적용법
품목 ROLLER CHAIN NO CONVEYOR CHAIN NO
CTG-40 40, 25-2 C-2040
CTG-50 50,35-2 C-2050
CTG-60 60, 40-2, 35-3 C-2060
CTG-80 80, 50-2, 35-4 C-2080
CTG-100 100, 60-2, 40-3 C-2100, 81-X

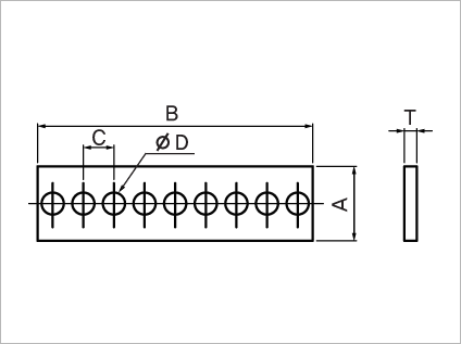
STRAP 촌법표
품목 A B C D E
CTG-35 19.1 406.4 - - 3.2
CTG-40~60 25.4 406.4 12.7 7.4 4.7
CTG-80~120 38.1 406.4 12.7 7.4 6.4
CTG-14~180 76.2 406.4 12.7 7.4 6.4
목록보기
Tel : 02-891-6162 , 02-891-1548
Email : wj@woojinauto.co.kr, woojin1014@nate.com
Addr : 경기도 시흥시 과림동 365,361-1,365-2번지
COPYRIGHT © woojinauto.co.kr