

| CHAIN.NO | CODE.NO | H | W | a | b | c | d |
|---|---|---|---|---|---|---|---|
| 40/2040 50/2050 60 2060 80 2080 |
5130 5131 5132 5160 5133 5161 |
15 15 20 20 25 25 |
25 25 30 30 35 35 |
4.5 |
12.8 15.7 18.5 18.5 24.5 24.5 |
4.0 4.0 4.0 4.0 4.5 4.5 |
4.5 5.5 6.3 7.9 7.9 9.5 |


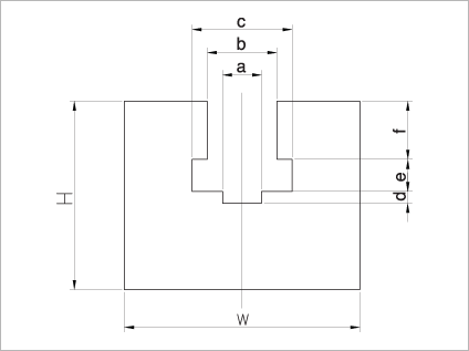
| CHAIN.NO | CODE.NO | H | W | a | b | c | d | e | f |
|---|---|---|---|---|---|---|---|---|---|
| 40/2040 50/2050 60 2060 80 2080 |
5134 5135 5136 5162 5137 5163 |
25 25 30 30 35 35 |
30 30 35 35 40 40 |
4.5 |
9.0 11.1 13.0 13.0 16.9 16.9 |
12.8 15.7 18.5 18.5 24.5 24.5 |
4.0 4.0 4.0 4.0 4.5 4.5 |
4.5 5.5 6.3 7.9 7.9 9.5 |
5.8 7.2 10.4 10.4 13.8 13.8 |