FLAT TOP MAGNETFLEX FTM-1050 SPROCKET

SEE PAGE 17
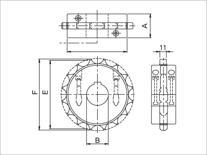
■ PRODUCE - SPROCKET
Material : Mono Cast Nylon
TEETH CODE.NO BORE PITCH
DIAMETER
OUTSIDE
DIAMETER
WIDTH
B(mm) E(mm) F(mm) A(mm)
1608 16 25
30
35
40
50
131.2 130.9 45
1609 18 147.4 146.8 45
목록보기
Tel : 02-891-6162 , 02-891-1548
Email : wj@woojinauto.co.kr, woojin1014@nate.com
Addr : 경기도 시흥시 과림동 365,361-1,365-2번지
COPYRIGHT © woojinauto.co.kr