

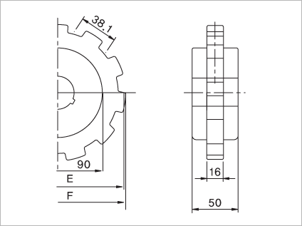
| TEETH | BORE | CODE.NO | PITCH DIAMETER(E) |
OUTSIDE DIAMETER(F) |
WEIGHT |
|---|---|---|---|---|---|
| MM | MM | MM | kg/EA | ||
| 10 |
25 |
1571 1572 1573 |
123.3 |
122 | 0.40 |
| 11 | 25 30 35 |
1574 1575 1576 |
135.2 | 134 | 0.44 |
| 12 | 25 30 35 |
1577 1578 1579 |
147.2 | 146 | 0.53 |


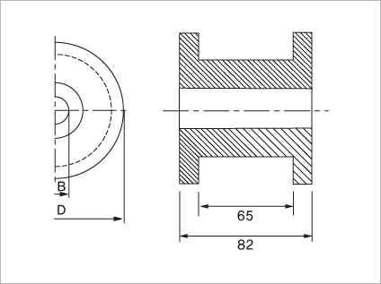
| FOR TEETH | BORE (B) |
CODE.NO | OUTSIDE DIAMETER(D) |
WEIGHT |
|---|---|---|---|---|
| MM | MM | kg/EA | ||
| 10 |
25 |
1770 1771 1772 |
122 |
0.41 |
| 11 | 25 30 35 |
1773 1774 1775 |
134 | 0.44 |
| 12 | 25 30 35 |
1776 1777 1778 |
146 | 0.51 |