FOR STAINLESS STEEL BEVELFLEX AND TABFLEX CHAINS

SEE PAGE 10
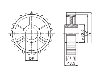
■ SPLIT-SPROCKET
Material : polyamide
zinc plated steel screw
or stainless steel screw
TEETH BORE
(DF)
CODE.NO DIAMETER WEIGHT
MM D1 D2 kg/EA
21

25
30
35

1541
1542
1543
129
116.1 0.36
23 25
30
35
1544
1545
1546
142 128.1 0.44
25 25
30
35
1547
1548
1549
154 140.1 0.49

SEE PAGE 10
■ COMBI-IDLER
Material : Polyethylene
TEETH BORE
(DF)
CODE.NO OUTSIDE
DIAMETER(D)
WEIGHT
MM MM kg/EA
21

25
30
35

1721
1722
1723
129
0.41
23 25
30
35
1724
1725
1726
142 0.44
25 25
30
35
1727
1728
1729
154 0.51
목록보기
Tel : 02-891-6162 , 02-891-1548
Email : wj@woojinauto.co.kr, woojin1014@nate.com
Addr : 경기도 시흥시 과림동 365,361-1,365-2번지
COPYRIGHT © woojinauto.co.kr