





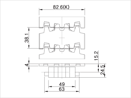
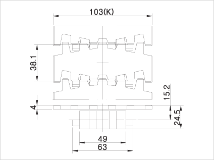
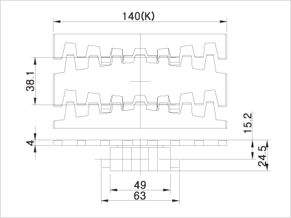
| CHAIN TYPE |
CODE. NO |
MATERIAL | PLATE WIDTH (K) |
WORK- ING LOAD (MAX) |
SIDE- FLEX RADIUS (MIN) |
WEIGHT | ||
|---|---|---|---|---|---|---|---|---|
| PLATE | PIN | MM | INCH | N | R | kg/M | ||
| P82.6CF P103CF P140CF |
1248
- HP |
ACETAL | STAIN- LESS STEEL |
82.6 103.0 140.0 |
3.25 4.05 5.51 |
4000 | 200 250 300 |
1.28 1.38 1.50 |