

| CHAIN TYPE |
CODE. NO |
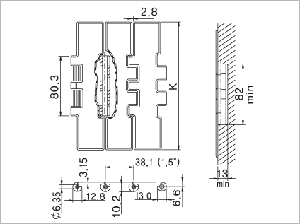
MATERIAL | PLATE WIDTH (K) |
WORKING LOAD (MAX) |
BACKFLEX RADIUS (MIN) |
WEI- GHT |
||
|---|---|---|---|---|---|---|---|---|
| PLATE | PIN | MM | INCH | N | R | kg/M | ||
| SS1905SW | 1162 | STAINLESS STEEL |
190.5 | 7.50 | 7000 | 75 | 5.60 | |